目录
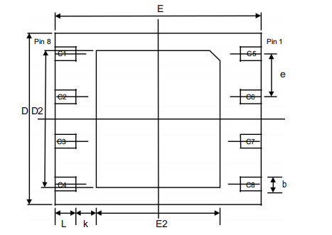
贴片卡尺寸
贴片卡尺寸
上一篇 资料下载
nextDoc 封装及管脚定义
请输入关键字进行搜索